Un tour de plus

Auteur avatarAlbnc28 | Dernière modification 13/05/2025 par Albnc28

Pas encore d'image

Une structure en bois ludique permettant d’animer une course en boucle dans un parc. Chaque joueur pousse un bâton de sa couleur à chaque tour : le premier à pousser ses trois bâtons gagne ! Ce projet est conçu pour être facile à construire et à animer dans un cadre sportif.

Matériaux

  • 2 Panneaux de bois extérieur (contreplaqué ou OSB) l.120  cm x H.60 cm - Ep. 10mm
  • Possibilité plaque en plastique recyclé Precious Plastic

Référence : voir tuto wikifab Precious Plastic


  • 1 tasseau en bois carré l.3 x P.3 x H.240 cm
  • 2 supports de poteau à enfoncer acier galvanisé l.3 x P.3 x H. 75 cm
  • 1 tube de PVC diamètre 40 mm, l. 2m
  • 3 bombe de peinture (par exemple, rouge, bleu, vert)
  • Vis : 17 vis de Longueur 20mm
  • Colle à bois

Outils

  • Scie sauteuse ou scie circulaire
  • Possibilité de scie cloche pour les trous
  • Perceuse visseuse
  • Mètre
  • Niveau
  • Bombe de peinture
  • Serre joint

Étape 1 - Découpe des panneaux de contreplaqué

Couper deux panneaux bois  (ex. : L. 120 cm x H. 60 cm).



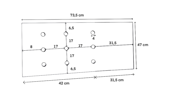
Étape 2 - Réalisation des trous verticaux pour insérer les bâtons

  • Attention les trous doivent être alignés sur les deux panneaux !
  • Aligner et assembler les deux panneaux grâce aux serres joint.
  • Faire des repères pour les trous à percer.
  • Percer les 9 trous de diamètre 4cm à la scie sauteuse ou scie cloche.



Étape 3 - Fabrication des pieds de support

Couper en deux, à 120 cm, le tasseau de 240 cm




Étape 4 - Fabrication des tubes PVC

Couper le tube de 2m en morceaux de 14,5 cm (14,5 x 9 tubes = 130,5m).




Étape 5 - Fabriquer les embouts des tubes

Couper 19 cercles de 4,2 cm de diamètre dans les plaques de plastique Precious Plastic, ou possibilité dans une planche en contreplaqué.


Étape 6 - Peindre les tubes et les embouts en 3 couleurs différentes

  • 3 tubes et 6 embouts en bleu
  • 3 tubes et 6 embouts en rouge
  • 3 tubes et 6 embouts en vert




Étape 7 - Coller les embouts d’un seul côté des tubes




Étape 8 - Assemblage et renforts

  • Visser les deux poteaux aux extrémités d’un panneau de contreplaqué
  • Visser le deuxième panneau de l’autre côté
  • Enfoncer les supports dans le sol avec un espace de 41 cm entre les deux supports
  • Insérer les poteaux dans les supports
  • Visser les supports aux poteaux (2 visses par pied)




Étape 9 - Installation

  • Insérer les tubes dans les trous, les aligner verticalement par couleur.
  • Coller les embouts à l’autre extrémité des tubes
  • Visser les supports aux poteaux

Commentaires

Draft